宇电仪表在空调机组实验装置中的应用
2011-03-20
摘要:宇电AI人工智能调节器及工控组态软件AIFCS产品在兰州交大暧通实验室空调机组实验系统的应用
关键词:AI人工智能调节器 数据采集 监控
引言:
近年来国产二次仪表的发展迅速,涌现出了许多的生产厂家,而我对宇电仪表AI人工智能调节器情有独钟,特别是它先进的模块化结构,丰富的输出规格,使我在现场中遇到的问题迎刃而解,特别是在兰州交大暧通实验室空调机组实验系统的数据采集、监控系统及锅炉电控柜中的改造中的应用更加深了我对宇电AI人工智能调节器及工控组态软件AIFCS产品的了解,受益非浅。
1、系统概述
兰州交大暧通实验室新购一套模拟空调机组试验装置,在此空调机组试验装置上分别设有13个温度、4路流量及一路压差测试点,以便于试验采集数据,另有一套散热器散热器测试台,设有24个温度测试点,要求对试验采集的数据实时浏览及在线监控,实时数据及历史报表在上位PC机上集中统一管理,处理。
2、系统硬件配置
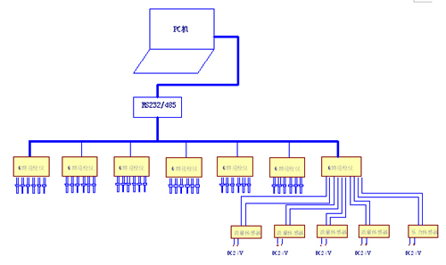
监控系统结构如下图所示:
图一:监控系统结构

整个空调数据采集、监控系统由一台上位PC机、1个宇电RS232/RS485转换器、7台AI人工智能高精度6路巡检仪、37个铂热电阻Pt100、4个流量传感器及一个压差变送器组成。利用具有通讯功能的AI-706M6路巡检仪对现场数据进行采集,测量精度为0.2级。在巡检仪上可直接显示采集的数据,并通过RS-485串行通讯和上位机进行通讯,实现37个通道温度、4个通道流量及1个通道压差的集中监控。AI调节器上的所有参数可以在上位机中显示,也可用上位机设定下载。
3、软件组成
组态软件采用了宇电工控组态软件AIFCS产品,该软件与宇电仪表配套使用共同构成智能仪表现场总线系统,通讯方式为RS485;仪表采用AIBUS通讯协议,8个数据位,1个或2个停止位,无校验位,完成通用工作站的数据采集和加工、实时和历史数据处理,系统稳定可靠,方便的代替了大量的现场工作人员的劳动和完成对现场的自动监控,可随时或定时打印各种报表。按客户的工艺流程在画面上显示虚拟的现场设备的布置情况,动态的显示了设备的在线状态,在传感器及其他相关设备实际安装的位置标上相应的标号和数据,更直观的让用户了解画面上的数据的实际来源,在事故发生时更能提高解决事故的效率。系统按照客户的要求设置了报警产生时间、形式、长短和解除方式,实时快速准确的进行报警。并保存每一次报警的报警类型、报警时间、应答时间、结束时间、报警时报警后的实时数据、操作人员等,客户需要的信息,对报警数据的查询更可方便可靠。实时曲线、历史曲线的切换和强大曲线查询功能使曲线的使用更简便灵活。系统登录方式分为系统启动登录、系统运行期间登录、退出系统时登录。权限按照客户要求进行多重分级,防止不相关的操作员误操作,造成事故。设置管理员权限使用户能够在系统运行时增加、删除用户、分配权限、修改密码。也可通过控制柜上的巡检仪方便地读取各个通道的现场数据,只需设定巡检仪上的通讯地址和上位机的地址对应即可实现通讯。调试后使用至今,稳定可靠。
4、特殊功能
在使用中尤其是对巡检仪自带的引线电阻补偿功能给我的调试工作带来极大方便,由于在现场采用的是两线制铂热电阻Pt100,再加上引线较长,出现测量误差大的情况,按照说明书上自动设置偏移值的方法进行操作,消除了引线电阻带来的测量误差,提高了测量精度。
另外在热水加热器温度控制系统及蒸汽发生器压力控制系统的电气控制柜的改造过程中也体验到了宇电仪表模块化结构的妙处,因原锅炉电控柜使用的是宇电AI-708仪表,用户要求自动控温,并增加超温报警。温控系统由AI调节器、铂电阻PT100、SSR固态继电器、电加热管组成。蒸汽发生器压力控制系统由AI调节器、压力变送器、SSR固态继电器、电加热管组成。在检查中发现两块AI-708调节器均无报警输出模块,且压力变送器工作电源为DC24V,要满足用户的要求,则需重新购买调节器及DC24V开关电源,需增加成本一千多元,后来咨询宇电的技术工程师,购买了宇电两块L2输出模块及1块DC24V模块,三个模块总共才一百多元,大大节省了成本,使用安全可靠。
5、结束语
温控仪表我选用宇电仪表的原因是其理想的控制效果和方便的自整定功能,该仪表采用AI人工智能调节方式,是利用模糊规则进行PID调节的一种新型算法,在误差大时,运用模糊算法进行调节,以消除PID饱和积分现象,当误差趋小时,采用改进后的PID算法进行调节,并能在调节中自动学习和记忆被控对象的部分特征以使效果更优化,具有无超调,高精度,参数确定简单,对复杂对象也能获得较好的控制效果等特点。其整体调节效果比一般PID算法及模糊调节算法均更优越。
总之,做为OEM客户,宇电产品在我公司干燥设备上得到了广泛应用,AI智能调节器不仅具有故障自检和参数锁定功能,而且选用了高抗干扰和高可靠性结构,在系统出现故障时,能及时查出故障,予以排除,大大提高了控制系统的可靠性和安全性。稳定可靠,能够满足用户的要求,受到了用户的好评。
返回顶部
